
江门市文学艺术界联合会2015年度
部门决算公开
目 录
第一部分 江门市文学艺术界联合会概况
一、 部门职责
二、 机构设置
第二部分 江门市文学艺术界联合会2015年部门决算表
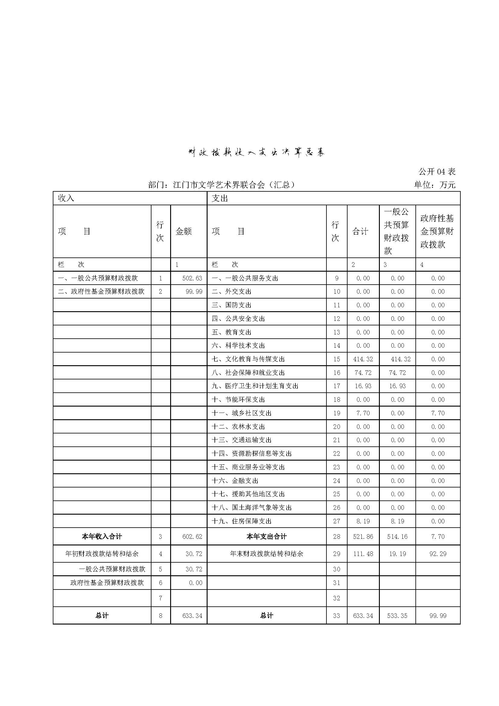
一、收入支出决算总表
二、收入决算表
三、支出决算表
四、财政拨款收入支出决算总表
五、一般公共预算财政拨款支出决算表
六、一般公共预算财政拨款基本支出决算表
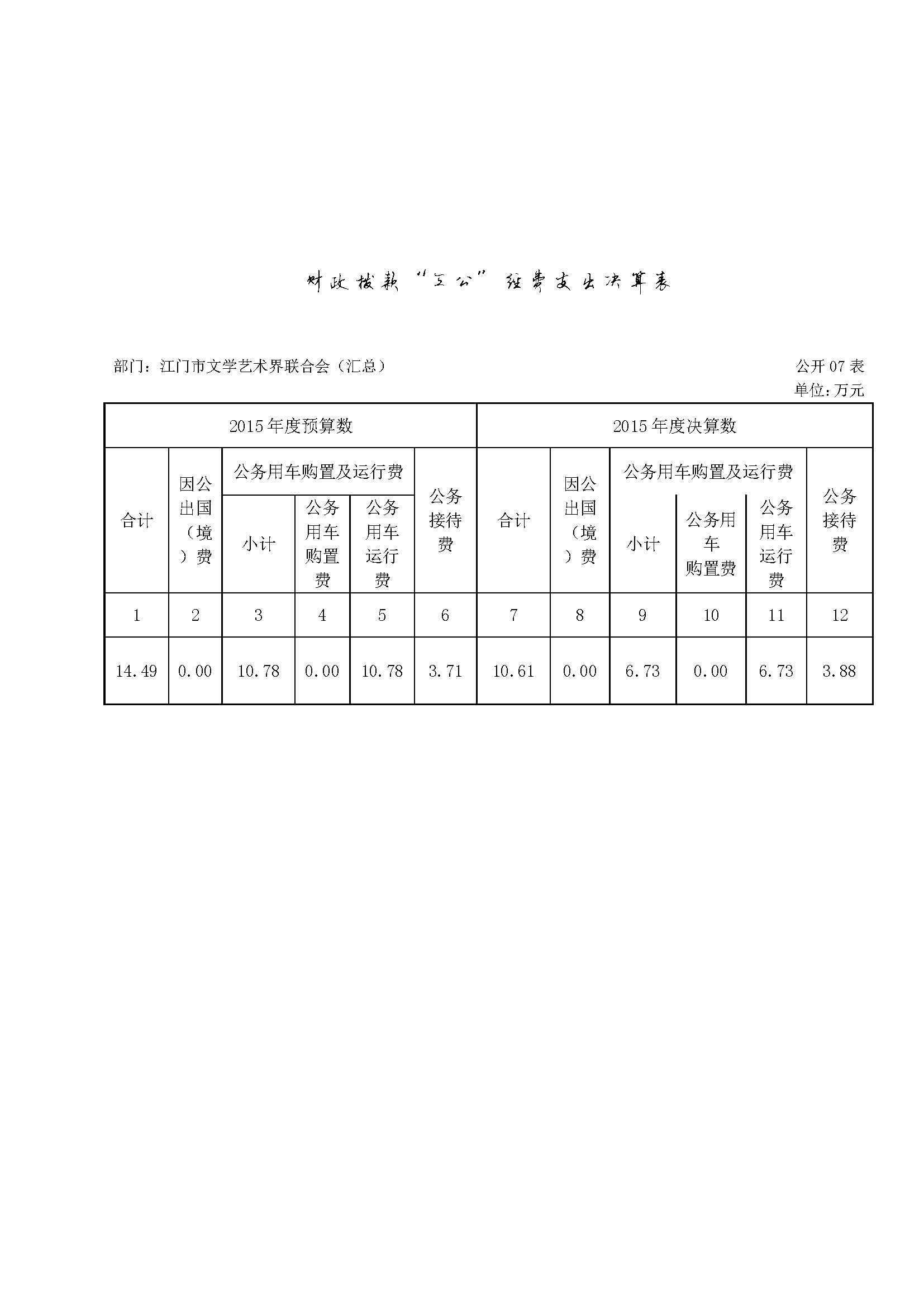
七、财政拨款“三公”经费支出决算表
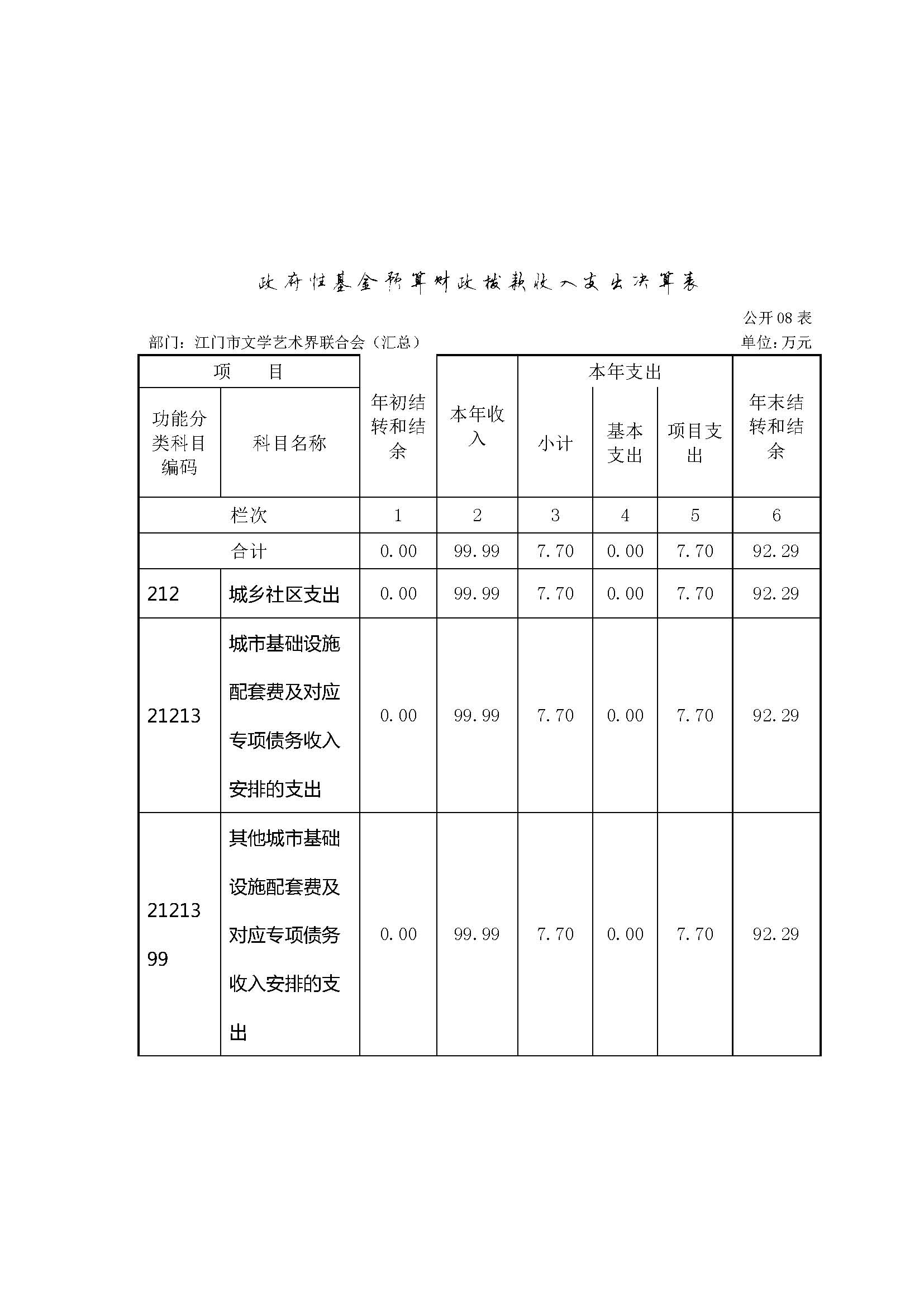
八、政府性基金预算财政拨款收入支出决算表
九、一般公共预算财政拨款“三公”经费支出决算表
第三部分 江门市文学艺术界联合会2015年部门决算情况说明
第四部分 名词解释
第一部分 江门市文学艺术界联合会概况
(一)部门职责
江门市文学艺术界联合会是市委、市政府领导下的文学艺术界的专业群众团体,其主要职能是:
1、贯彻党的文艺路线、方针、政策,为繁荣社会主义文艺事业贡献力量。
2、指导各协会开展创作、研讨活动,开展多种文艺评奖、表彰、纪念活动,配合有关部门有重点地组织创作、展出、演出,力求出精品、出人才。
3、加强各协会对文艺家的指导、联络、服务,组织会员间的交流活动,反映他们的情况和要求,维护宪法和法律赋予文艺家的权益,使文联和各协会成为文艺家之家。
4、加强同全国、全省文艺家协会和其他行业文联的业务交流与协作,加强同台港澳及海外文艺界人士和文学艺术团体的联系,增进友谊,开展国际文化交流活动。
5、管理文艺家协会、江门书法院。
6、承办市委、市人民政府交办的其它事项。
(二)机构设置
按照部门决算编报要求,纳入我单位2015年部门决算编报范围的单位共2个,包括江门市文学艺术界联合会本级和下属1个预算单位江门书法院。
第二部分 江门市文学艺术界联合会2015年
部门决算表





一般公共预算财政拨款“三公”经费支出决算表 | ||||||||||||||||
公开09表 单位:万元 | ||||||||||||||||
部门:江门市文学艺术界联合会(汇总) | ||||||||||||||||
2015年度预算数 | 2015年度决算数 | |||||||||||||||
合计 | 因公出国(境)费 | 公务用车购置及运行费 | 公务接待费 | 合计 | 因公出国(境)费 | 公务用车购置及运行费 | 公务接待费 | |||||||||
小计 | 公务用车 | 公务用车 | 小计 | 公务用车 | 公务用车 | |||||||||||
1 | 2 | 3 | 4 | 5 | 6 | 7 | 8 | 9 | 10 | 11 | 12 | |||||
14.49 | 0.00 | 10.78 | 0.00 | 10.78 | 3.71 | 10.61 | 0.00 | 6.73 | 0.00 | 6.73 | 3.88 | |||||
第三部分 江门市文学艺术界联合会2015年
部门决算情况说明
一、2015年度收入支出决算总体情况说明
支出决算总规模、各类支出决算规模及各类支出增减变化情况。
(一)年度收入总体情况
江门市文学艺术界联合会(以下简称“文联”)2015年度总收入908.88万元,其中本年收入 807.55 万元。具体情况如下:
1.财政拨款收入 602.62万元,比2014年决算数增加182.21万元,增长30.24 %。主要原因:一是增加了文联的办公室修缮工程经费99.99万元;二是业务需要,增加了艺术培训数字化工程费用20万元;三是业务需要,增加了文艺精品展示交流专项经费50万元;四是人员变动及津补贴调整,人员经费相应调整增加经常性收入12.22万元。
2.事业收入 203.36万元,比2014年决算数增加62.25 万元,增长30.61 %。主要原因:一是业务需要,文联增加了业务收入88.90万元,二是公益二类事业单位江门书法院减少了业务收入26.65万元。
3.经营收入 0.00万元,比2014年决算数减少2.6万元,下降100 %。主要原因:公益二类事业单位江门书法院原是江门文艺杂志社加挂事业单位,2014年江门文艺杂志社正式转企改制,江门书法院调整为单独设置单位,由此该两个单位的账务原是合并核算,2015年改为分开核算,故不存在经营收入。
4.其他收入 1.58万元,比2014年决算数减少5.41万元,下降342.41 %。主要原因:一是公益二类事业单位江门书法院2013年使用了自有资金垫支6万元购置5台办公用空调,2014年财政下达办公设备购置经费,自有资金收回代垫支的6万元。二是2014年两个单位的银行利息收入比2015年多0.59万元。
(二)年度支出总体情况
文联2015年度总支出 908.88 万元,其中本年支出 726.58 万元。具体情况如下:
1.文化体育与传媒支出 619.04 万元,其中主要用于项目支出454.77万元:(1)江门书法院申报中国书法城专项经费5.00 万元;(2)江门书法院艺术作品展览、书法对外交流及“中国书法进万家”活动经费10.00万元;(3)江门书法院专项业务费15.00 万元;(4)江门书法院购买书画收藏室设备经费6.00 万元;(5)江门书法院筹办中国书协展览中心江门工作站(上年结转)30.00万元;(6)江门书法院普法宣传书法活动经费6.00 万元;(7)文联文艺服务下基层经费38.32万元;(8)文联第四届世青会会歌制作经费4万元;(9)文联原创文艺精品推广计划活动经费7.5万元;(10)文联文艺精品创作扶持经费69万元;(11)文联党员志愿服务经费0.1万元;(12)文联华侨历史组歌《闯金山》创作扶持经费20万元;(13)文联艺术培训数字化工程费用20万元;(14)文联我市各文艺家协会日常工作协调经费116.66万元;(15)文联文艺精品展示交流经费49.7万元;(16)文联文艺家采风经费5万元;(17)文联新年音乐会经费5.3万元;(18)文联江门市重点文艺作品扶持专项经费15万元;(19)文联美术、书法、摄影展览经费9万元;(20)文联书法家春节期间下乡送春联活动2万元;(21)文联专项业务费9.19万元;(22)文联文艺服务下基层经费12万元。基本支出164.27万元,主要用于人员和日常办公经费的支出,其中文联86.61万元,江门书法院77.66万元。
2.城乡社区支出7.70万元。主要用于文联大型办公室修缮经费7.70万元。
3.社会保障和就业支出74.72万元。其中,文联支出74.72万元。
4.医疗卫生与计划生育支出16.93万元。其中,文联支出16.93万元。
5.住房保障支出8.19万元。其中,文联支出8.19万元。
本年支出决算数比2014年决算数减少66.74万元,下降9.19%,主要原因是一是受公车改革的影响,文联相应的经费开支减少;二是公益二类事业单位江门书法院2015年的自主创收锐减,支出也相应减少。
二、2015年收入决算情况说明
江门市文学艺术界联合会2015年度收入合计807.55 万元。
(一)财政拨款收入 602.62万元,占本年收入合计的74.62 %。其中:
文化体育与传媒支出(类)402.78万元,占财政拨款收入的66.84 %,社会保障和就业支出(类)74.72万元,占财政拨款收入的12.40 %,医疗卫生与计划生育支出(类)16.93万元,占财政拨款收入的2.81 %,城乡社区支出(类)99.99万元,占财政拨款收入的16.60 %,住房保障支出(类)8.19万元,占财政拨款收入的1.35 %。
(二)事业收入 203.36万元,占本年收入合计的25.18 %。
其中:文化体育与传媒支出(类) 203.36万元。
(三)其他收入 1.58万元,占本年收入合计的 0.20%。
其中:文化体育与传媒支出(类)1.58 万元。
三、2015年度支出决算情况说明
江门市文学艺术界联合会2015年度支出合计 726.58万元。具体如下;
(一)基本支出 264.11万元,占本年支出合计的36.35 %。其中:文化体育与传媒支出(类)164.27万元,主要用于行政运行164.27万元;社会保障和就业支出(类)74.72万元,主要用于归口管理的行政单位离退休费74.72万元;医疗卫生与计划生育支出(类)16.93万元,主要用于行政单位医疗15.11万元,其他计划生育事务支出1.82万元;住房保障支出(类)8.19万元,主要用于住房公积金8.19万元。
(二)项目支出 462.47万元,占本年支出合计的 63.65%。其中:文化体育与传媒支出(类)454.77万元,主要用于行政运行166.32万元,其他文化支出288.45万元;城乡社区支出(类)7.70万元,主要用于其他城市基础设施配套费及对应专项债务收入安排的支出7.70万元。
四、2015年度财政拨款收入支出总表说明
(一)2015年度财政拨款收入说明
江门市文学艺术界联合会2015年度财政拨款收入合计602.62 万元。其中:一般公共预算财政拨款收入502.63 万元,比年初预算数增加43.25万元,增长8.6%,主要原因一是业务需要,文联增加了艺术培训数字化工程费用;二是文联人员变动及津补贴调整,人员经 费相应调整。政府性基金预算财政拨款收入100万元,比年初预算数增加100万元,增长100%,主要原因是增加办公室修缮工程费用。
(二)2015年度财政拨款支出说明
江门市文学艺术界联合会2015年度财政拨款支出合计521.86 万元。其中:一般公共预算财政拨款支出 514.16万元,比年初预算数增加54.78万元,增长10.65%,主要原因一是业务需要,文联增加了艺术培训数字化工程费用开支;二是文联和江门书法院人员变动及津补贴调整,人员经费相应调整。政府性基金预算财政拨款支出7.70万元,比年初预算数增加7.70万元,增长100%,主要原因是开展了修缮工程,支出了部分经费。
分功能科目看,文化体育与传媒支出(类)414.32万 元,主要用于行政运行125.86万元,其他文化支出288.45万元。社会保障和就业支出(类)74.72万元,主要用于归口管理的行政单位离退休费 74.72万元;医疗卫生与计划生育支出(类)16.93万元,主要用于行政单位医疗15.11万元,其他计划生育事务支出1.82万元;住房保障支出(类)8.19万元,主要用于住房公积金8.19万元;城乡社区支出(类)7.70万元,主要用于其他城市基础设施配套费及对应专项债务收入安排的支出7.70万元。
五、2015年度一般公共预算财政拨款支出决算情况说明
(一)一般公共预算财政拨款支出决算总体情况
江门市文学艺术界联合会2015年度一般公共预算财政拨款支出合计 514.16万元,占本年支出合计的70.76 %。与2014年相比,增加209.85万元,增长40.81 %。
(二)一般公共预算财政拨款支出决算构成情况
江门市文学艺术界联合会2015年度一般公共预算财政拨款主要用于以下方面:文化体育与传媒支出(类)414.32万元,占 80.58%;社会保障和就业支出(类)74.72 万元,占14.53 %;医疗卫生与计划生育支出(类)16.93万元,占3.29%,住房保障支出(类)8.19万元,占1.60%。
(三)一般公共预算财政拨款支出决算的具体情况
江门市文学艺术界联合会2015年度一般公共预算财政拨款支出 514.16万元,具体情况如下:
1.一般公共服务支出 (类)人大事务(款)0 万元,比2014年减少0.09万元,下降100%,主要原因是2015年度财政没有安排资金在该科目中列支。
2. 文化体育与传媒支出(类)414.32万元,比2014年增加200.66万元,增长48.43%,主要原因一是业务需要,文联增加了艺术培训数字化工程 费用开支;二是业务需要,文联增加了文艺精品展示交流专项经费开支;三是文联和江门书法院人员变动及津补贴调整,人员经费相应调整。完成年初预算的 112.66%,决算数大于预算数的主要原因是文联和江门书法院人员变动及津补贴调整。
3.社会保障和就业支出(类)74.72万元,比2014年增加5.44万元,增长7.28%,主要原因是文联和江门书法院人员变动及津补贴调整。完成年初预算的107.85%,决算数大于预算数的主要原因是文联和江门书法院人员变动及津补贴调整。
4.医疗卫生和计划生育支出(类)16.93万元,比2014年增加2.16万元,增长12.76%,主要原因是文联和江门书法院人员变动及津补贴调整。完成年初预算的110.94%,决算数大于预算数的主要原因是文联和江门书法院人员变动及津补贴调整。
5.住房和保障支出(类)8.19万元,比2014年增加1.68万元,增长20.51%,主要原因是文联和江门书法院人员变动及津补贴调整。完成年初预算的115.84%,决算数大于预算数的主要原因是文联和江门书法院人员变动及津补贴调整。
六、2015年度一般公共预算财政拨款基本支出决算情况说明
江门市文学艺术界联合会2015年度一般公共预算财政拨款基本支出 216.52万元,其中:
(一)工资福利支出 121.65万元,占基本支出的 56.18%。主要包括基本工资20.18 万元、津贴补贴 52.60万元、奖金 0.81万元、社会保障缴费 17.42万元、绩效工资23.27 万元、其他工资福利支出7.37万元。
(二)商品和服务支出5.79 万元,占基本支出的2.67 %。主 要包括办公费 1.58万元、水费 0.03万元、电费0.99 万元、邮电费 0.95万元、差旅费0.37 万元、维修(护)费 0.28万元、会议费0.31万元、公务接待费0.11 万元、劳务费0.24万元、工会经费0.10万元、福利费0.29万元、公务用车运行维护费0.28万元、税金及附加费用0.22万元、其他商品和服务支 出0.04万元。
(三)对个人和家庭的补助 89.08万元,占基本支出的41.15 %。主要包括退休费 74.72万元、奖励金 6.17万元、住房公积金8.19 万元。
七、2015年度财政拨款“三公”经费支出决算情况说明
(一)“三公”经费财政拨款支出决算总体情况说明
江门市文学艺术界联合会2015年度“三公”经费财政拨款支出决算为 10.61万元,完成预算14.49 万元的 73.22%。其中:因 公出国(境)费支出决算为 0 万元;公务用车购置及运行维护费支出决算为 6.73 万元,完成预算10.78 万元的62.43 %;公务接待费支出决算为 3.88万元,完成预算3.71 万元的104.58 %。2015年度“三公”经费支出决算小于预算数的主要原因是文联及江门书法院都认真贯彻落实中央八项规定精神和厉行节约的要求,同时受公车改革政策 的影响,从严控制“三公”经费开支,全年实际支出比预算有所节约。与2014年相比,2015年度“三公”经费财政拨款支出决算数比2014年减少4.68万元,下降30.61 %。其中:因公出国(境)费支出决算没有增减;公务用车购置及运行维护费支出决算减少3.55万元,下降34.53 %;公务接待费支出决算减少1.13万元,下降22.55%。因公出国(境)费支出没有增减;公务用车购置及运行维护费支出减少主要原因是公车改革,文联减少了一部公车开销;公务接待费支出减少主要原因是文联及江门书法院都认真贯彻落实中央八项规定精神和厉行节约的要求,本年度的实际支出比2014年有所节约。
(二)“三公”经费财政拨款支出决算具体情况说明
2015年“三公”经费财政拨款支出决算中,因公出国(境)费 0万元,占0 %;公务用车购置及运行维护费支出 6.73万元,占63.44%;公务接待费支出3.88 万元,占36.56 %。具体情况如下:
1.因公出国(境)费支出 0 万元。全年使用财政拨款安排文联机关及下属1个单位出国团组 0 个、累计0人次。开支内容包括:(1)参加会议支出 0 万元;(2)出国谈判、工作磋商支出 0 万元;(3)境外业务培训及考察 0 万元。
2.公务用车购置及运行维护费支出 6.73 万元,其中:公务用车购置支出为0 万元,2015年公务用车购置数0 辆;公务用车运行及维护支出 6.73万元,2015年文联机关及下属1个单位公务用车保有量为 1 辆,主要用于外出联系业务,以及用于机要通信、应急工作。
3.公务接待费支出 3.88 万元,主要用于上级单位检查和相关单位交流工作等方面的接待。2015年,文联机关及下属1个单位共接待国外来访团组 0 个,来访外宾 0 人次;发生国内接待 37次,接待人数共606 人。主要包括文联接待3.11万元,江门书法院接待0.77万元。
八、其他重要事项的情况说明
(一)机关运行经费支出情况
2015年本部门机关运行经费支出5.65万元,比2014年增加0.02万元,增长0.35%。主要原因是:商品和服务的成本有所增高。
(二)政府采购支出情况说明
2015年本部门政府采购支出总额78.13万元,其中:政府采购货物支出10.60万元、政府采购工程支出0万元、政府采购服务支出67.53万元。授予中小微企业合同金额0万元,占政府采购支出总额的0%,其中:授予小微企业合同金额0万元,占政府采购支出总额的0%。
(三)国有资产占用情况
截 至2015年12月31日,本部门共有车辆2辆,其中,一般公务用车2辆(用于机要通信、应急工作)、一般执法执勤用车0辆、特种专业技术用车0辆、其他 用车0辆。单位价值50万元以上通用设备0台(套),单位价值100万元以上大型设备0台(套),单位价值200万元以上大型设备0台(套)。
(四)预算绩效管理工作开展情况。
1.绩效管理工作总体情况。根据财政预算管理要求,我部门组织对2015年度一般公共预算项目支出全面开展绩效自评。其中,一级项目10个,二级项目0个,共涉及资金248.3万元,自评覆盖率达到100%。
共组织对“我市各文艺家协会协调经费”等3个项目进行了绩效评价,涉及一般公共预算支出182万元。从评价情况来看,3个项目支出绩效情况较为理想,达到了项目申请时设定的各项绩效目标。如创作了几个文艺精品,《华侨历史组歌——闯金山》、《万里赴戎机——五邑华侨抗战实录》、《南楼往事》等。
组织对0个部门(单位)开展整体支出绩效评价试点,涉及一般公共预算支出0万元。
2.没有部门决算中项目绩效自评结果。
3.没有重点项目绩效评价报告。
4.没有其他以部门为主题开展的项目绩效评价报告。
第四部分 名词解释
为便于社会公众的理解,各部门需对公开内容中涉及的专业名词进行解释,格式如下:(以下专业名词解释供参考,各部门可以根据公开内容中涉及的专业名词自行予以增减)
一、财政拨款收入:指财政当年拨付的资金事业收入。
二、事业收入:指事业单位开展专业业务活动及辅动所取得的收入。
三、经营收入:指事业单位在专业业务活动及其辅助活动之外开展非独立核算经营活动取得的收入。
四、其他收入:指除上述“财政拨款收入”、“事业收入”、“经营收入”等以外的收入。主要是非本级财政拨款、存款利息收入、事业单位固定资产出租收入等。
五、用事业基金弥补收支差额:指事业单位在用当年的“财政拨款收入”、 “事业收入”、“经营收入”、“其他收入”不足以安排当年支出的情况下,使用以前年度积累的事业基金(事业单位当年收支相抵后按国家规定提取、用于弥补以后年度收支差额的基金)弥补本年度收支缺口的资金。
六、年初结转和结余:指以前年度尚未完成、结转到本年按有关规定继续使用的资金。
七、结余分配:指事业事位按规定提取的职工福利基金、事业基金和缴纳的所得税,以及建设单位按规定应交回的基本建设竣工项目结余资金。
八、年末结转和结余:指本年度或以前年度预算安排、因客观条件发生变化无法按原计划实施,需要延迟到以后年度按有关规定继续使用的资金。
九、基本支出:指为保障机构正常运转、完成日常工作任务面发生的人员支出和公用支出。
十、项目支出:指在基本支出这外为完成特定行政任务和事业发展目标所发生的支出。
十一、经营支出:指事业单位在专业业务活动及其辅助活动之外开展非独立核算经营活动所发生的支出。
十二、“三公”经费:按照党中央、国务院有关文件及部门预算管理有关规定,“三公”经费包括因公出国(境)费、公务用车购置及运行费和公务接待费。(1)因公出国(境)费,指单位工作人员公务出国(境)的住宿费、旅费、伙食补助费、杂费、培训费等支出。(2)公务用车购置及运行费,指单位公务用车购置费及租用费、燃料费、维修费、过路过桥费、保险费、安全奖励费用等支出。公务用车指用于履行公务的机动车辆,包括领导干部专车、一般公务用车和执法执勤用车。(3)公务接待费,指单位按规定开支的各类公务接待(含外宾接待)支出。
十三、机关运行经费:指为保障行政单位(含参照公务员法管理的事业单位)运行用于购买货物和服务的各项资金,包括办公及印刷费、邮电费、差旅费、会议费、福利费、日常维修费、专项材料及一般设备购置费、办公用房水电费、取暖费、物业管理费、公务用车运行维护费以及其他费用。
十四、一般公共服务支出(类)人大事务(款):反映各级人民代表大会的支出。