相关阅读:一图读懂《广东省退役军人事务厅关于印发〈伤残抚恤管理办法〉实施细则的通知》
咨询电话:0750-3888580
广东省退役军人事务厅关于
印发《伤残抚恤管理办法》实施细则的通知
各地级以上市退役军人事务局,各县(市、区)退役军人事务局:
为进一步规范和加强退役军人事务部门管理的伤残抚恤工作,根据《军人抚恤优待条例》《伤残抚恤管理办法》和《伤残抚恤人员档案管理办法》等法规规章及有关规定,结合我省实际,省厅制定了《广东省退役军人事务厅关于〈伤残抚恤管理办法〉的实施细则》。现印发给你们,请遵照执行。
广东省退役军人事务厅
2022年4月18日
广东省退役军人事务厅关于《伤残抚恤管理办法》的实施细则
第一章 总 则
第一条 为了规范和加强我省退役军人事务部门管理的伤残抚恤工作,根据《军人抚恤优待条例》《伤残抚恤管理办法》和《伤残抚恤人员档案管理办法》等法规、规章及有关规定,结合我省实际,制定本细则。
第二条 本细则适用对象为具有本省户籍的下列人员:
(一)在服役期间因战因公致残退出现役的军人,在服役期间因病评定了残疾等级退出现役的残疾军人;
(二)因战因公负伤时为行政编制的人民警察;
(三)因参战、参加军事演习、军事训练和执行军事勤务致残的预备役人员、民兵、民工以及其他人员;
(四)为维护社会治安同违法犯罪分子进行斗争致残的人员;
(五)为抢救和保护国家财产、人民生命财产致残的人员;
(六)法律、行政法规规定应当由退役军人事务部门负责伤残抚恤的其他人员。
前款所列第(三)、(四)、(五)项人员根据《工伤保险条例》应当认定视同工伤的,不再办理因战、因公伤残抚恤。
第三条 本细则第二条所列人员符合《军人抚恤优待条例》及有关政策中因战因公致残规定的,可以认定因战因公致残;个人对导致伤残的事件和行为负有过错责任的,以及其他不符合因战因公致残情形的,不得认定为因战因公致残。
第四条 伤残抚恤工作应当遵循公开、公平、公正的原则。
从事残疾等级评定工作的退役军人事务部门工作人员、残情医学鉴定专家有下列情形之一的,应当自行回避:
(一)是申请人或者是申请人的近亲属的;
(二)本人及近亲属和本次评残有利害关系的;
(三)与申请人有其他关系,可能影响公正办理评残事项的。
第五条 省级退役军人事务部门主管本细则第二条所列人员的伤残抚恤工作,负责残疾等级评定以及全省各级退役军人事务部门伤残抚恤工作的指导和监督。
市级退役军人事务部门负责所辖县(市、区)退役军人事务部门上报伤残材料的审查、报批以及组织残情医学鉴定等工作。
县级退役军人事务部门应当公布有关评残程序和伤残抚恤金标准,负责伤残材料的核对、审查、报批和伤残抚恤金发放等工作。
第二章 残疾等级评定基本条件
第六条 评定残疾等级包括新办评定残疾等级、补办评定残疾等级、调整残疾等级。
第七条 新办评定残疾等级是指对本细则第二条第一款第(一)项以外的人员认定因战因公残疾性质,评定残疾等级。属于新办评定残疾等级的,申请人应当在因战因公负伤或者被诊断、鉴定为职业病3年内提出申请,原则上超过3年提出的申请不再受理。
第八条 补办评定残疾等级是指对现役军人因战因公致残未能及时评定残疾等级,在退出现役后依据《军人抚恤优待条例》的规定,认定因战因公残疾性质,评定残疾等级。
第九条 调整残疾等级是指对已经评定残疾等级,因原致残部位残疾情况变化与原评定的残疾等级明显不符的人员调整残疾等级级别,对经医学鉴定达不到最低评残标准的可以取消其残疾等级。属于调整残疾等级的,应当在上一次评定残疾等级1年后提出申请。
第三章 残疾等级评定申报材料
第十条 申请评定残疾等级材料须真实、完备、有效。
(一)申请人和相关部门对其所提供材料的真实性负责,必要时各级退役军人事务部门可进行复核或者组织调查。
(二)评残材料必须由退役军人事务部门逐级报送。
(三)申报材料中姓名不一致的,须提供居民户口簿等相应证明材料,其他内容相互不一致的,由造成差错方更正并加盖印章。
申请人(精神病患者由其利害关系人帮助申请,下同)须在个人申请书上手写签名、申请日期。
第十一条 申请新办评定残疾等级,应当提供下列真实确切材料:
(一)申请人书面申请,内容包括:申请人姓名、当前身份、因战因公负伤时的身份、负伤时间、地点、部位及详细经过等。
(二)有工作单位申请人所在单位的公函(人民警察需由县级以上政法机关政治工作部门出具),内容包括:申请人姓名、当前身份、因战因公负伤时的身份、致残性质、负伤时间、地点、致残部位及详细经过、负伤后处理情况、申请人个人对导致伤残的事件和行为是否负有过错责任,所在单位对申请人因战因公评定残疾等级申请的审核意见、所在单位地址、联系人姓名、职务及联系电话。公函应编印文号、并加盖印章。
(三)因战因公致残经过证明:
1.属于执行公务中负伤的,须提供相关证明材料(如:会议通知、会议纪要、接处警记录、事故处理报告等);属于交通事故致残的,应当提供公安交警部门出具的《道路交通事故责任认定书》;属于意外事件致残,需要通过第三方认定或仲裁的,应提供损害赔偿协议书、调解协议书、民事判决书等证明材料;属于上下班途中致残的,需提供所在单位为其出具的上下班规定时间内、上下班必经路途中发生意外事件证明。
2.因医疗事故致残的,应当提交相关职能机构出具的《医疗事故鉴定书》。
3.因参战、参加军事演习、军事训练和执行军事勤务致残的预备役人员、民兵、民工以及其他人员,应当提交团级以上部队(含预备役部队)或者县级以上军事机关出具的对申请人评定残疾等级的书面意见和该机关组织有关军事行动的通知等能够证明申请人参加军事行动的档案材料。
4.为抢救和保护国家财产、人民生命财产致残的人员,应当提交县级以上人民政府或者相关部门出具的记载申请人负伤有关情况的正式文书(或者表彰决定)。
5.为维护社会治安同犯罪分子斗争致残的人员,应当提交县级以上人民政府或者政法机关出具的记载申请人负伤有关情况的正式文书(或者表彰决定)、公安机关对犯罪嫌疑人所作的询问笔录、人民法院的判决书等。
(四)医疗诊断证明,包括加盖出具单位相关印章的门诊病历原件、住院病历复印件及相关检查报告。
(五)申请人本人近期二寸免冠彩色照片(人民警察须着制式警服)、居民身份证或者居民户口簿复印件。
(六)因战因公负伤时为行政编制的人民警察,应提供人民警察证、警衔审批表及公务员登记表复印件。
第十二条 申请补办评定残疾等级,应当提交下列真实确切材料:
(一)申请人书面申请,内容包括:入伍时间、退役时间、负伤时间、地点、部位、详细经过、在部队未评残原因等。
(二)因战因公致残档案记载或者原始医疗证明。档案记载是指本人档案中所在部队作出的涉及本人负伤原始情况、治疗情况及善后处理情况等确切书面记载。职业病致残需提供有直接从事该职业病相关工作经历的记载。医疗事故致残需提供军队后勤卫生机关出具的医疗事故鉴定结论。原始医疗证明是指原所在部队体系医院出具的能说明致残原因、残疾情况的病情诊断书、出院小结或者门诊病历原件、加盖出具单位相关印章的住院病历复印件。档案记载或者原始医疗证明中,不仅要有负伤事实记载,且须有能认定因战因公受伤的情形表述。
(三)退役军人登记表或者退役军人证复印件。
(四)申请人本人近期二寸免冠彩色照片、居民身份证或者居民户口簿复印件。
(五)有工作单位申请人所在单位的公函,内容包括:申请人姓名、当前身份、致残性质、致残时的身份、致残时间、地点、致残部位及详细经过。公函应编印文号,并加盖印章。
第十三条 申请调整残疾等级,应当提交下列真实确切材料:
(一)申请人书面申请,内容包括:申请人评残部位当前状况及对工作或生活的影响、近期治疗情况。
(二)申请人近6个月内在二级甲等以上医院的就诊病历及医院检查报告、诊断结论等。调整残疾等级部位必须与伤残抚恤档案中记载的伤残部位一致,且排除其他原因导致残情加重的情形。
(三)残疾证件原件。
(四)申请人本人近期二寸免冠彩色照片(人民警察须着制式警服)、居民身份证或者居民户口簿复印件。
第四章 残疾等级评定程序
第十四条 申请人申请评定残疾等级,应当向所在单位提出书面申请。申请人所在单位应及时审查评定残疾等级申请,出具书面意见并加盖单位印章,连同相关材料一并报送户籍地县级退役军人事务部门审查。
没有工作单位的或者以原致残部位申请评定残疾等级的,可以直接向户籍地县级退役军人事务部门提出申请。
第十五条 县级退役军人事务部门对报送的有关材料进行核对。
对材料不全或者材料不符合法定形式的,填写《残疾等级评定材料告知书》,书面告知申请人补充材料。新办、补办评定残疾等级没有因战因公致残性质记载的,认定为材料不全。
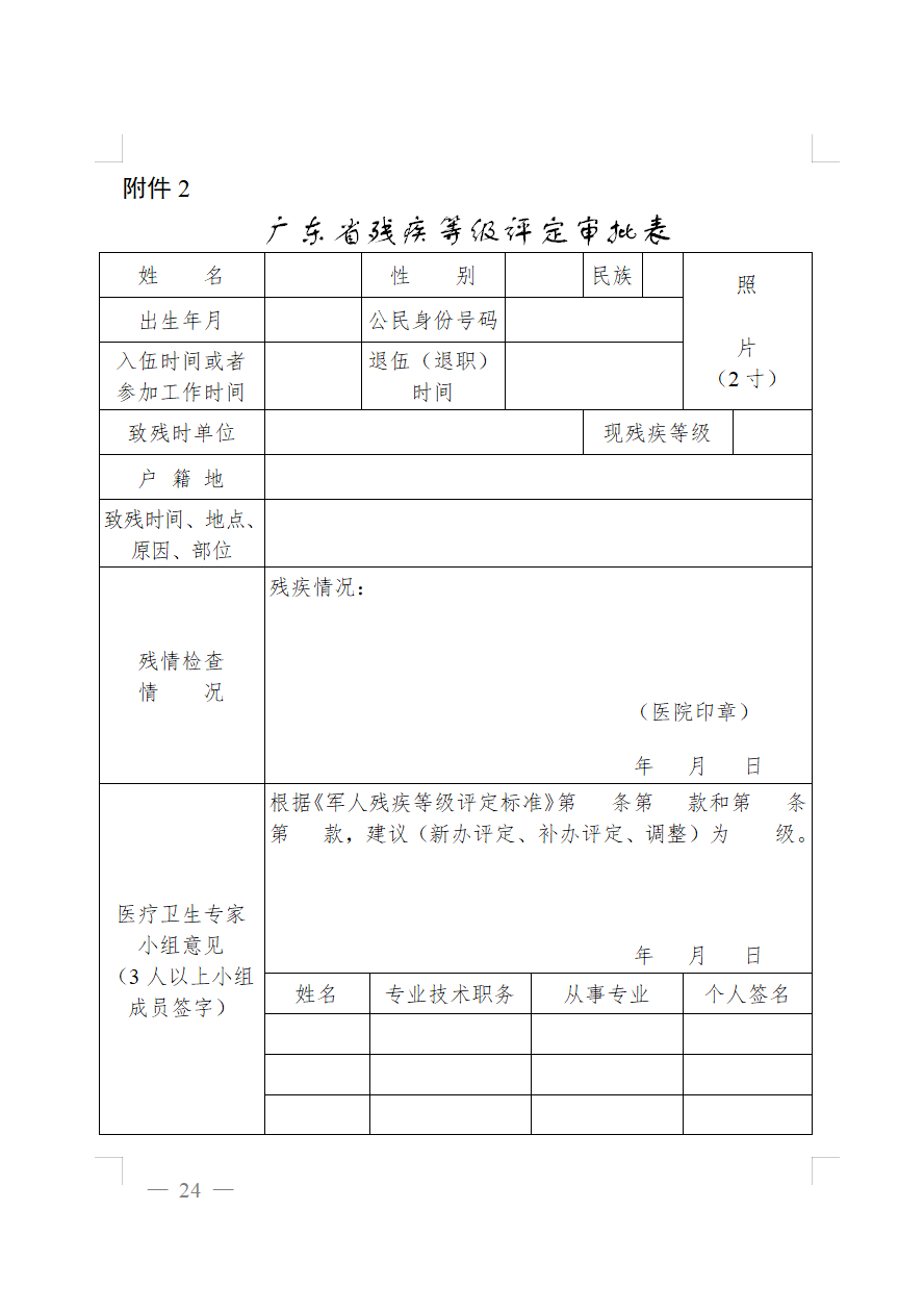
对符合因战因公负伤条件的,县级退役军人事务部门提交正式书面审查报告(包括审查情况及意见建议等),经市级退役军人事务部门审核同意后,应当填写《广东省残疾等级评定审批表》(一式三份),并在受理之日起20个工作日内,签发《受理通知书》,出具《残情医学鉴定介绍信》,通知本人持《残情医学鉴定介绍信》到市级退役军人事务部门指定的医疗卫生机构,对属于因战因公导致的残疾情况进行鉴定,由医疗卫生专家小组根据《军人残疾等级评定标准》,出具残疾等级医学鉴定意见,提交辅助检查报告。职业病的残疾情况鉴定由省级退役军人事务部门指定的有职业病诊断资质的医疗机构作出;精神病的残疾情况鉴定由省级退役军人事务部门指定的精神病专科医院作出。
县级退役军人事务部门依据医疗卫生专家小组出具的残疾等级医学鉴定意见对申请人拟定残疾等级,在《广东省残疾等级评定审批表》上签署意见,加盖印章,于收到医疗卫生专家小组签署意见之日起20个工作日内,连同其他申请材料〔调整残疾等级的由县级退役军人事务部门提供原批准和历次调整残疾等级评定(审批)表〕一并报送市级退役军人事务部门。
县级退役军人事务部门对本细则第二条第一款第(一)项人员,经审查认为不符合因战因公负伤条件的,或者经医疗卫生专家小组鉴定达不到补评或者调整残疾等级标准的,应当根据《军人抚恤优待条例》相关规定逐级上报省级退役军人事务部门。对本细则第二条第一款第(一)项以外的人员,经审查认为不符合因战因公负伤条件的,或者经医疗卫生专家小组鉴定达不到新评或者调整残疾等级标准的,应当填写《残疾等级评定结果告知书》,连同申请人提供的材料,退还申请人或者其所在单位。
第十六条 市级退役军人事务部门对报送的材料进行审查,提交正式书面审查报告(包括审查情况及意见建议等)。对符合条件的,在《广东省残疾等级评定审批表》(一式三份)上签署意见,并加盖印章,于收到材料之日起20个工作日内,将上述材料报送省级退役军人事务部门。
对不符合条件的,属于本细则第二条第一款第(一)项人员,根据《军人抚恤优待条例》相关规定上报省级退役军人事务部门;属于本细则第二条第一款第(一)项以外的人员,填写《残疾等级评定结果告知书》,连同申请人提供的材料,逐级退还申请人或者其所在单位。
第十七条 省级退役军人事务部门对报送的材料初审后,认为符合条件的,逐级通知县级退役军人事务部门对申请人的评残情况进行公示。公示内容应当包括致残的时间、地点、原因、残疾情况(涉及隐私或者不宜公开的不公示)、拟定的残疾等级以及县级退役军人事务部门联系方式。公示应当在申请人工作单位所在地或者居住地进行,时间不少于7个工作日。县级退役军人事务部门应当对公示期间收到的反馈意见进行核实并签署意见,逐级上报省级退役军人事务部门。
省级退役军人事务部门应当对公示的意见进行审核,在《广东省残疾等级评定审批表》上签署审批意见,加盖印章。对符合条件的,办理伤残人员证(调整等级的,在证件变更栏处填写新等级),于公示结束之日起60个工作日内逐级发给申请人或者其所在单位。对不符合条件的,填写《残疾等级评定结果告知书》,连同申请人提供的材料,于收到材料之日或者公示结束之日起60个工作日内逐级退还申请人或者其所在单位。
第五章 残疾等级医学鉴定
第十八条 省、市两级退役军人事务部门应指定二级以上医疗卫生机构负责残疾等级医学鉴定。
医疗卫生鉴定机构需组建残疾等级医疗卫生专家小组和医疗卫生专家库,负责本行政区域内残疾等级医学鉴定工作。列入专家库的医疗卫生专业技术人员应当具备下列条件:1.具有医疗卫生高级专业技术职务任职资格;2.掌握劳动能力鉴定的相关知识;3.具有良好的职业品德。
第十九条 残疾等级医学鉴定应当客观、公正。医疗卫生鉴定机构根据退役军人事务部门委托鉴定的项目,在专家库中随机抽选3名以上的专家组成医疗卫生专家小组,进行医学鉴定。对于鉴定伤情涉及多学科的,专家小组应增加对应领域专家成员。
进行医学鉴定时,专家小组应当认真核对申请人身份信息,确保相关资料齐全、信息准确无误。进行体检时,严格对退役军人事务部门委托鉴定的伤残部位进行检查,不得错项漏项,不得随意加项,确保检查结果真实客观。
医学鉴定意见必须经3名以上的残情鉴定医疗卫生专家小组成员在《广东省残疾等级评定审批表》上共同签署,加盖医疗卫生机构印章,直接送退役军人事务部门,不得由受检人自带。县级退役军人事务部门将鉴定结果通知申请人。
医疗卫生机构应当归档保存残疾鉴定相关资料,包括申请委托项目、送检资料、残情摘要、体格检查、相关辅助检查、残情分析、初评和综合评审依据及结论等。
第二十条 申请人或者退役军人事务部门对医疗卫生专家小组作出的残疾等级医学鉴定意见有异议的,可以到省级退役军人事务部门指定的医疗卫生机构进行第二次鉴定。申请人如不能到场参加鉴定,需提前向退役军人事务部门说明理由。
第二十一条 符合评定、调整残疾等级的残疾军人及其他人员鉴定费用由户籍地县级退役军人事务部门支付,列入县级抚恤事业费中开支;伤残人民警察鉴定费用由所在单位支付。残疾等级医学鉴定过程中产生的检查费用由申请人自行支付。
第二十二条 申请人已进行残情医学鉴定后死亡的,按照本细则的规定继续办理有关评残手续;符合评残条件的,按伤残人员死亡的规定落实相关待遇。申请人在尚未进行残情医学鉴定时死亡的,评残程序终止。此前已处理的事项不再变更。
第二十三条 伤残人员以军人、人民警察或者其他人员不同身份多次致残,致残部位不能合并评残的,可以先对各部位分别评残。等级不同的,以重者定级;两项(含)以上等级相同的,只能晋升一级。
多次致残的伤残性质不同的,以等级重者定性。等级相同的,按因战、因公、因病的顺序定性。
第六章 伤残证件和档案管理
第二十四条 伤残证件的发放种类:
(一)退役军人在服役期间因战因公因病致残的,发给《中华人民共和国残疾军人证》;
(二)人民警察因战因公致残的,发给《中华人民共和国伤残人民警察证》;
(三)退出国家综合性消防救援队伍的人员在职期间因战因公因病致残的,发给《中华人民共和国残疾消防救援人员证》;
(四)因参战、参加军事演习、军事训练和执行军事勤务致残的预备役人员、民兵、民工以及其他人员,发给《中华人民共和国伤残预备役人员、伤残民兵民工证》;
(五)其他人员因公致残的,发给《中华人民共和国因公伤残人员证》。
伤残人员以军人、人民警察或者其他人员不同身份多次致残的,退役军人事务部门按上述顺序只发给一种证件,并在伤残证件变更栏上注明再次致残的时间和性质,以及合并评残后的等级和性质。
第二十五条 伤残证件由退役军人事务部统一制作。证件的有效期:15周岁以下为5年,16-25周岁为10年,26-45周岁为20年,46周岁以上为长期。
第二十六条 伤残证件有效期满或者损毁、遗失的,证件持有人应当到县级退役军人事务部门申请换发证件或者补发证件。
第二十七条 申请换证、补证的,需提供以下真实确切材料:
(一)本人书面申请,居民身份证或者居民户口簿复印件及二寸免冠彩色照片。
(二)伤残证件遗失的须本人自费登报声明作废,登报声明必须载明已丢失的伤残证件编号,自登报之日起5个工作日后方可提出申请。
(三)伤残证件损坏、有效期满的需提供原伤残证。
第二十八条 县级退役军人事务部门经审查认为符合条件的,填写《广东省伤残人员换证补证审批表》(一式三份,伤残证件遗失的至少有一份报纸原件剪贴在证件遗失登报声明情况一栏),将评残审批表或者伤残人员登记表复印件和上述材料逐级上报省级退役军人事务部门。省级退役军人事务部门将新办理的伤残证件逐级通过县级退役军人事务部门发给申请人。
各级退役军人事务部门应当在20个工作日内完成本级退役军人事务部门需要办理的事项。
第二十九条 伤残人员前往我国香港特别行政区、澳门特别行政区、台湾地区定居或者其他国家和地区定居前,应当向户籍地(或者原户籍地)县级退役军人事务部门提出申请,由户籍地(或者原户籍地)县级退役军人事务部门在变更栏内注明变更内容。对需要换发新证的,“身份证号”处填写定居地的居住证件号码。“户籍地”为国内抚恤关系所在地。
第三十条 伤残人员死亡的,其家属或者利害关系人应及时告知伤残人员户籍地县级退役军人事务部门,县级退役军人事务部门应当注销其伤残证件,并逐级上报省级退役军人事务部门备案。
第三十一条 退役军人事务部门对申报和审批的各种材料、伤残证件应当有登记手续。送达的材料或者证件,均须挂号邮寄或者由申请人签收。
第三十二条 县级退役军人事务部门应当落实伤残抚恤人员档案管理有关规定,建立伤残抚恤人员资料档案,一人一档,长期保存。要定期与全国优抚信息管理系统比对核查,确保系统信息数据和纸质档案相符。
第三十三条 伤残抚恤人员档案是指乡镇人民政府(街道办事处)、县级退役军人事务部门、市级退役军人事务部门、省级退役军人事务部门在审查、审核、审批新办、补办评定残疾等级和调整残疾等级工作中,以及办理伤残抚恤关系的转移、发放抚恤金工作中,形成的以伤残抚恤人员个人为单位整理的,具有保存价值的各种载体和形式的历史记录。
伤残抚恤人员材料的归档要求:
(一)归档的材料必须齐全完整、图文清晰;
(二)归档材料应当在相关手续办理完毕后20个工作日内归档。
各级退役军人事务部门在办理残疾抚恤时,严格按照伤残抚恤人员材料归档要求和范围准备有关材料。
第七章 伤残抚恤关系转移
第三十四条 残疾军人退役或者向政府移交,必须自军队办理了退役手续或者移交手续后60日内,向户籍迁入地的县级退役军人事务部门申请转入抚恤关系。退役军人事务部门必须进行审查、登记、备案。审查的材料有:居民户口簿、《残疾军人证》、军队相关部门监制的《军人残疾等级评定表》、《换领〈中华人民共和国残疾军人证〉申报审批表》、退役证件或者移交政府安置的相关证明。
县级退役军人事务部门应当对残疾军人残疾情况及有关材料进行审查,必要时可以复查鉴定残疾情况,出具正式书面审查报告(包括审查情况及意见建议等),填写《广东省伤残人员登记表》(一式三份)。对逾期未办理伤残抚恤关系转移、遗失《残疾军人证》的,原则上应复查鉴定残疾情况。认为符合条件的,将《残疾军人证》及有关材料报送市级退役军人事务部门。市级退役军人事务部门审核后出具正式书面审核报告(包括审核情况及意见建议等),连同相关材料报送省级退役军人事务部门。省级退役军人事务部门审核无误的,在《残疾军人证》变更栏内填写新的户籍地、重新编号,并加盖印章,将《残疾军人证》逐级通过县级退役军人事务部门发还申请人。各级退役军人事务部门应当在20个工作日内完成本级需要办理的事项。如复查、鉴定残疾情况的可以适当延长工作日。
《军人残疾等级评定表》或者《换领〈中华人民共和国残疾军人证〉申报审批表》记载的残疾情况与残疾等级明显不符的,县级退役军人事务部门应当暂缓登记,逐级上报省级退役军人事务部门通知原审批机关更正,或者按复查鉴定的残疾情况重新评定残疾等级。伪造、变造《残疾军人证》和评残材料的,县级退役军人事务部门收回《残疾军人证》不予登记,并移交当地公安机关处理。
申请残疾抚恤关系转移,应当提供以下材料:
(一)本人书面申请,居民身份证、居民户口簿复印件及二寸免冠彩色照片。
(二)《中华人民共和国残疾军人证》原件。
(三)退役军人证、退役军人登记表复印件(加盖档案保管单位印章,经办人签字)或者移交政府安置的相关证明。
(四)军队相关部门监制的《军人残疾等级评定表》、《换领〈中华人民共和国残疾军人证〉申报审批表》复印件(加盖档案保管单位印章,经办人签字)。
第三十五条 户籍地发生变化的,应当同时申请伤残抚恤关系转移。
第三十六条 伤残人员跨省迁移户籍,各级退役军人事务部门应当在20个工作日内完成本级需要办理的事项。
(一)迁出抚恤关系。迁出地县级退役军人事务部门根据伤残人员申请及其伤残证件和迁入地居民户口簿,应当先与迁入地县级退役军人事务部门沟通,并将伤残档案、迁入地居民户口簿复印件通过机要途径发送迁入地县级退役军人事务部门;迁入地县级退役军人事务部门同意接收后,迁出地县级退役军人事务部门为申请人开具《伤残人员关系转移证明》(跨省),同时将此信息逐级上报省级退役军人事务部门备案。
迁出地退役军人事务部门邮寄伤残档案时,应当将伤残证件及其军队或者地方相关的评残审批表或者换证表复印备查。
(二)迁入抚恤关系。县级退役军人事务部门在收到迁出地县级退役军人事务部门发送的伤残档案、迁入地居民户口簿复印件以及《伤残人员关系转移证明》和伤残人员提供的伤残证件后,填写《广东省伤残人员登记表》(一式三份),逐级上报省级退役军人事务部门。省级退役军人事务部门在向迁出地省级退役军人事务部门核实无误后,在伤残证件变更栏内填写新的户籍地、重新编号,并加盖印章,逐级通过县级退役军人事务部门发还申请人。
第三十七条 伤残人员省内迁移户籍,各级退役军人事务部门应当在20个工作日内完成本级需要办理的事项。
迁出地县级退役军人事务部门根据伤残人员申请及其伤残证件和迁入地居民户口簿,将伤残档案、迁入地居民户口簿复印件以及《伤残人员关系转移证明》(省内),发送迁入地县级退役军人事务部门。
迁出地县级退役军人事务部门邮寄伤残档案时,应当将伤残证件及其军队或者地方相关的评残审批表或者换证表复印备查。
迁入地县级退役军人事务部门在收到上述材料和伤残人员提供的伤残证件后,填写《广东省伤残人员登记表》(一式三份),逐级上报省级退役军人事务部门。
省级退役军人事务部门经核实后,按迁出地伤残人员减员、迁入地伤残人员新增调整数据库相关信息,并在伤残证件变更栏内填写新的户籍地并加盖印章,逐级通过县级退役军人事务部门发还申请人。
第八章 抚恤金发放
第三十八条 伤残人员从被批准残疾等级评定后的下一个月起,由户籍地县级退役军人事务部门按照规定予以抚恤。伤残人员抚恤关系转移的,其当年的抚恤金由部队或者迁出地退役军人事务部门负责发给,从下一年起由迁入地退役军人事务部门按当地标准发给。由于申请人原因造成抚恤金断发的,不再补发。
第三十九条 在境内异地(指非户籍地)居住的伤残人员或者前往我国香港特别行政区、澳门特别行政区、台湾地区定居或者其他国家和地区定居的伤残人员,经向其户籍地(或者原户籍地)县级退役军人事务部门申请并办理相关手续后,其伤残抚恤金可以委托他人代领,也可以委托其户籍地(或者原户籍地)县级退役军人事务部门存入其指定的金融机构账户,所需费用由本人负担。
第四十条 伤残人员本人(或者其家属)每年应当与其户籍地(或者原户籍地)县级退役军人事务部门联系一次,通过见面、人脸识别等方式确认伤残人员领取待遇资格。当年未联系和确认的,县级退役军人事务部门应当经过公告或者通知本人(或者其家属)及时联系、确认;经过公告或者通知本人(或者其家属)后60日内仍未联系、确认的,从下一个月起停发伤残抚恤金和相关待遇。
伤残人员(或者其家属)与其户籍地(或者原户籍地)县级退役军人事务部门重新确认伤残人员领取待遇资格后,从下一个月起恢复发放伤残抚恤金和享受相关待遇,停发的抚恤金不予补发。
第四十一条 伤残人员变更国籍、被取消残疾等级或者死亡的,从变更国籍、被取消残疾等级或者死亡后的下一个月起停发伤残抚恤金和相关待遇,其伤残人员证件自然失效。
第四十二条 根据《伤残抚恤管理办法》规定,有下列行为之一的,由县级退役军人事务部门给予警告,停止其享受的抚恤、优待,追回非法所得;构成犯罪的,依法追究刑事责任:
(一)伪造残情的;
(二)冒领抚恤金的;
(三)骗取医药费等费用的;
(四)出具假证明,伪造证件、印章骗取抚恤金和相关待遇的。
第四十三条 县级退役军人事务部门依据人民法院生效的法律文书、公安机关发布的通缉令或者国家有关规定,对具有中止抚恤、优待情形的伤残人员,决定中止抚恤、优待,并告知本人或者其家属、利害关系人。
第四十四条 中止抚恤的伤残人员在刑满释放并恢复政治权利、取消通缉或者符合国家有关规定后,经本人(精神病患者由其利害关系人)申请,并经县级退役军人事务部门审查符合条件的,从审核确认的下一个月起恢复抚恤和相关待遇,原停发的抚恤金不予补发。办理恢复抚恤手续应当提供下列材料:本人申请、居民户口簿、司法机关的相关证明。需要重新办证的,按照证件丢失规定办理。
第九章 附 则
第四十五条 本细则适用于中国人民武装警察部队。
第四十六条 因战因公致残的深化国防和军队改革期间部队现役干部转改的文职干部,因参加军事训练、非战争军事行动和作战支援保障任务致残的其他文职人员,因战因公致残消防救援人员、因病致残评定了残疾等级的消防救援人员,退出军队或者国家综合性消防救援队伍后的伤残抚恤管理参照退出现役的残疾军人有关规定执行。
第四十七条 未列入行政编制的人民警察,参照本细则评定残疾等级,其伤残抚恤金由所在单位按规定发放。
第四十八条 本细则由广东省退役军人事务厅负责解释。
第四十九条 本细则自2022年6月1日起施行,有效期5年。
附件:1.受理通知书
2.广东省残疾等级评定审批表
3.残疾等级评定结果告知书
4.广东省伤残人员换证补证审批表
5-1.伤残人员关系转移证明(跨省)
5-2.伤残人员关系转移证明(省内)
6.评定残疾情况公示书
7.广东省伤残人员登记表
8.残情医学鉴定介绍信
9-1.残疾等级评定材料告知书(新办评定残疾等级)
9-2.残疾等级评定材料告知书(补办评定残疾等级)
9-3.残疾等级评定材料告知书(调整残疾等级)
















