美高梅博彩
江门市政府门户网站
繁体
政务微博
政务微信
网站支持IPv6
江门市发展和改革局
网站首页
政务公开
部门概况
统计分析
招录信息
财政预决算
党建工作
政民互动
美高梅博彩
专题栏目
粤港澳大湾区
规划计划
重点领域信息公开
招标投标政策文件
公告公示
当前位置:
首页
>
部门频道
>
江门市发展和改革局
>
公告公示
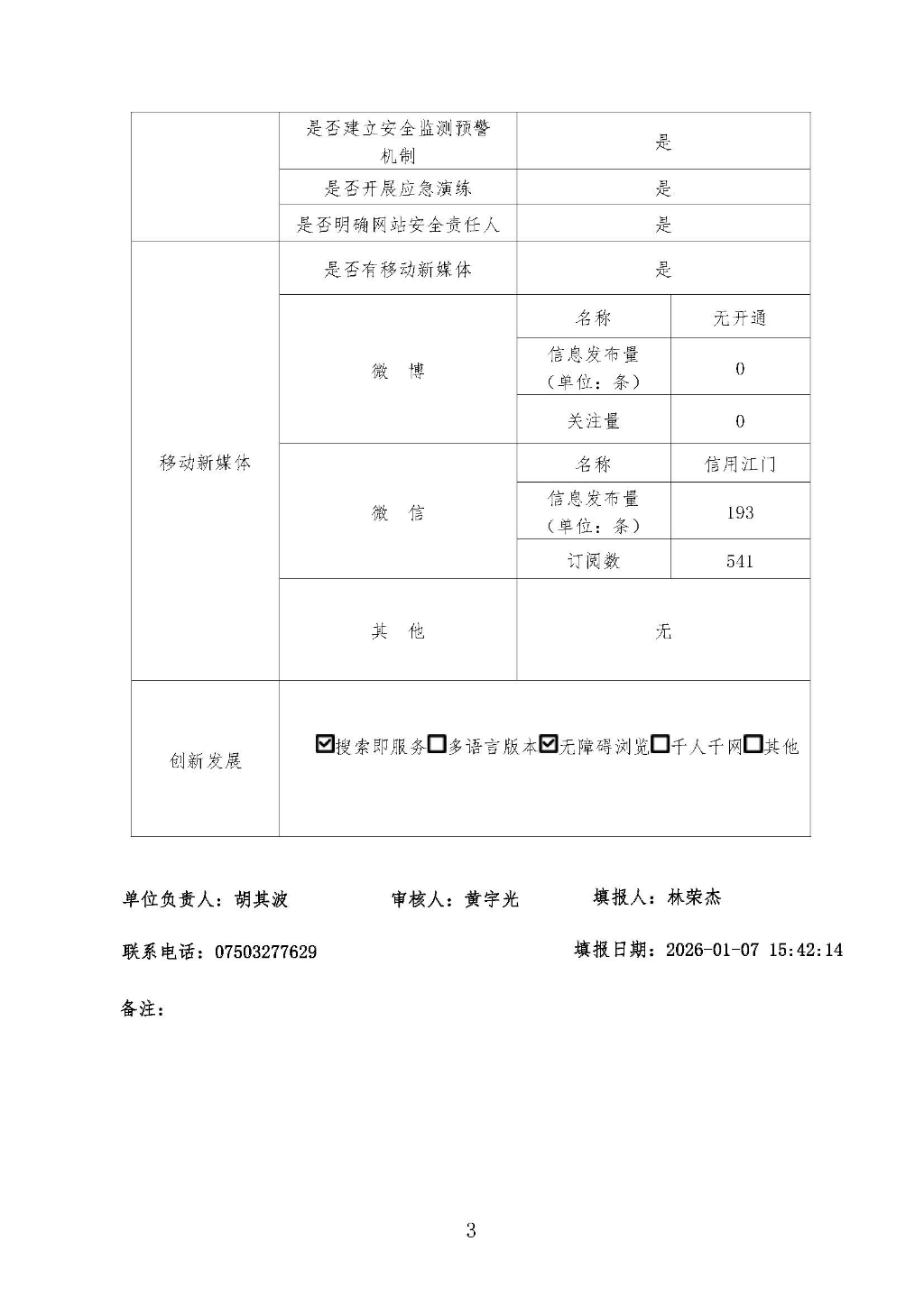
信用江门网网站工作年度报表(2025年)
发布时间:2026-01-14 15:06:31
来源:江门市发展和改革局
字体【
大
中
小
】
分享到:
附件下载:
扫一扫在手机打开当前页
【TOP】
【
打印页面
】【
关闭页面
】
世界杯压球
亚洲博彩网站
世界杯投注
澳门新葡京赌场
澳门银河网上赌场